
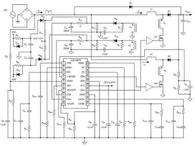
以上是用户分享关于基于UCC28070设计的300W PFC高效电源方案的资料希望对您有所帮助了,感谢您对爱华网的支持!


王涛摘要水流开关也称为流量开关或流量传感器,英文名为Flowswitch或Watersensor。在水工业供排水系统中,水流开关有着重要的应用价值,随着科技的进步,自动化逐渐普及的今天,水流开关会在这一领域发挥着及其重要的作用。主要是利用水流动

作者:唐华发表于:中国远程重启服务器网 www.yuanchengchongqi.com现在远程电源集中管理设备在IDC机房已经得到普遍部署,通过远程电源管理器,可降低85%的机房进出,减少机房进出即带来能源上的节省,为争取到最快时间解决问题,最大效率服务

(文章摘自电子发烧友网,感觉不错就转来了)由于教育的问题,独立思考的学生很少,新人都是很茫然的,面对专业都无从下手,看书也没有头脑。所以写个帖子总结一下学习方法推荐给新人。写这个帖子先申明一下,首先方法和书籍并不是对每个人都有效

济南酷睿科技有限公司整理电话:0531-88018444/18605319464网址:www.bileizhen.com www.21lp.cn防雷系统发展电的普遍使用促进了防雷产品的发展,当高压输电网为千家万户提供动力和照明时,雷电也大量危害高压输变电设备。高压线架设高

摘 要:本文首先对当前物流园区规划中存在的问题进行了分析,提出物流园区规划应重视市场需求的分析。首先应对其进行适合市场定位,确定其目标客户和最优辐射范围,为此必须对物流市场的成长性及其相关的衍生服务进行科学的预测,并形成