汽车电器设备定位图一般采用立体图或实物照片的方式来标示汽车上各电器设备在车上的具体位置。汽车电器设备定位图常常以单独的图形画出来或放在电路图中用电器设备的旁边。汽车电器设备定位图在汽车电路图中较为少见。由于汽车电路设备定位图具有立体感强、能清晰、直观地反映电器设备在车上实际位置等特点,因此具有很高的参考和实用价值。
汽车电器设备定位图按照汽车上电器设备的不同可以分为电控单元定位图、用电器定位图、过载保护装置定位图(如图2-5所示)、接地点(搭铁)定位图(如图2-6所示)、诊断插座定位图等,汽车电器设备定位图如图2-7所示。在阅读汽车电路原理图的时候,参照汽车电器设备定位图能更容易地读懂电路图,并能把电路图与实物快速地联系起来,排除汽车电路的故障。
由于各国对汽车电路图的绘制技术标准、文字标注等方面没有制定出统一的标准,因此世界上各国各大汽车制造厂家绘制的电路在电器符号、连接关系的表达、文字标注等方面存在很大差异。在维修汽车电路时参考的电路里有时很难把它归到上面所述的标准中去。有些汽车制造厂家为满足不同的需要,在一张电路图中会采用不同的绘制方法。无论看到的汽车电路图采用怎样的绘制方法,只要能清楚地表达汽车电器系统的原理,各电器设备间的连接关系,只要能用简明规范的文字标注和电器符号来表示电器设备,只要能把电路图绘制得简单清晰便于阅读和分析,那么这种电路图绘制方法就是有价值的。
第二节 汽车电路图的识读方法
一、汽车电路原理图的识读方法
1.掌握汽车电器设备的结构与工作原理
掌握汽车电路原理图中电器设备的结构与工作原理是识读电路原理图的基础。在掌握电路原理图中电器设备的结构与工作原理之后再去分析电路原理图中各电器设备的连接关系,电路故障就会变得很容易,读懂汽车电路原理图也就变得相对容易。
2.牢记汽车电器设备符号
汽车电路原理图是利用电器设备符号代替电器设备来表现电器设备结构及电器设备间关系的,因此牢记汽车电器设备符号是读懂汽车电路原理图所必需的。
3.判断汽车电路原理图的类型
根据汽车电器系统的工作原理可把汽车电路原理图分为电控电路原理图和非电控电路原理图。若是电控电路原理图,则可以以电控单元为核心把电路原理图分为四部分,即:①电控单元信号输入电路;②执行器工作电路;③电控单元电源电路;④其它电器设备电路。
若是非电控电路原理图,则可以从用电器入手,然后根据用电器找出控制器。若控制器为继电器,则要先分析继电器线圈电路,然后再分析继电器控制用电器电路。应注意继电器有时候不止控制一个用电器,这时候应对电路加以区分。在电路图中无论是继电器还是控制开关都处于断开停止工作状态。
4.利用用电器回路原则
汽车上的用电器都必须在蓄电池正负极之间构成完整的闭合回路才能工作。可以利用该原则从用电器入手来对汽车电路进行分析。
5.注意电路图中的共用导线
无论是经熔断器还是铰接点连接在一起的导线都具有共同作用,例如可以是电源线、接地线、信号线等。在电路图中凡是不经用电器而直接连接在一起的导线,只要其中有一根导线具有的作用(例如电源线),则其它导线都具有该作用(都是电源线)。特别是在有电控单元控制的电路里,为了减少电控单元的端子数和简化电控单元电路,共用导线的电路特别常见。
传感器经常共用电源线、接地线但绝不会共用信号线。「执行器会共用电源线、接地线甚至控制线。在阅读分析带有电控单元时的电路应特别注意。
6.运用排除法来确定电路的作用
在分析电路图,特别是带有电控单元的电路图时,往往需要确定某条电路的作用。而有些电路的作用在电路图上并没有明确的标注出来,这时可以采用排除法来确定未知作用电路的作用。例如某一传感器上有三条线路,己经知道了其中两条电路的作用是电源和接地,那么剩余的一条电路一定是信号电路。
7.先易后难
在一张电路图中,一定存在着某些局部电路复杂一时难以看懂的电路,这时可以放弃该部分电路,先从简单易懂的电路看起。等别的地方的电路都看懂后,再结合己看懂的电路来重点分析剩余难懂的电路。这样既缩短了读图时间,又提高了读图准确性。
8.善于向他人请教和查找资料
由于新的电器设备和新的控制技术不断出现并在汽车上广泛应用,因此同一车型的电路图会发生很大的变化。在看不懂汽车电路图的时候,应善于向能读懂汽车电路图的人员请教,同时,还要查阅相关资料,直到把电路图读懂弄明白为止。
9.熟记汽车各系统电路之间的相互关系
从整车电路来看,汽车各系统电路之间除了电源电路是共用的外,其它各系统电路都是相互独立的,但他们之间也存在着某种内在联系。因此在阅读汽车电路图时,不但要熟悉汽车各系统电路的组成、特点、工作过程和电流,还要了解汽车各系统电路之间的联系和相互影响。这是迅速找出故障部位,排除故障的必要条件。
10.认真阅读图注,浏览全图划出相应系统的电路
汽车电路图中所有电气设备的名称及其代号都是以图注的形式标注的。因此在阅读汽车电路图时,通过阅读图注,可以初步了解该车都装配了哪些电器设备,然后通过电器设备的代号在电路图中找到该电器设备,再进一步找出这些电器设备间的连接关系和控制关系。这样就可以大体上了解汽车电路的构成、特点和工作原理,再进一步分析就可以读懂汽车电路图了。
要读懂汽车电路图,首先必须掌握汽车电路中各个电器设备的基本功能和工作原理。在大概掌握全车电路基本的工作原理基础上,再把一个个单独的电器系统划出来,这样就容易抓住每个系统的主要功能、工作原理和特点。
在电路图上划出每个系统的电路图时,应注意既不能漏掉系统中的电器设备,也不能多划其它系统的电器设备。在划电器系统电器设备时,可参考下面的原则:①汽车上各电器系统只有电源和配电系统是共用的外,其它任何一个系统都应是一个完整的独立的电路回路,即包括电源、控制开关、熔断器、用电设备、导线等;②电路图中,电器设备能够构成从蓄电池正极经导线、开关、熔断器、用电设备、接地,最后回到蓄电池负极构成完整的电流回路。若所划出的电路不符合上面的原则,则说明所划出的电路存在错误,应进行重新分析和划分。
二、汽车线束图的识读方法
汽车线束图是根据线束在汽车上的布置、分段各连接器连接的具体情况而绘制的电路图,主要用来反映汽车上线束的外形、组成线束各导线的规格大小、长度、颜色,各连接器所连接电器设备的名称,连接器各端子的编号等,如图2-4所示。
在有些车型上,把汽车线束图绘制成立体图形或直接用实物照片这样更能真实直接有效地反映汽车线束的位置,例如东风神龙富康仪表线束如图2-8所示。有的车型把线束上的连接器外形图单独画出来,放到汽车电路原理图相应的连接器旁或原理图下方,并在连接器外形图上标注连接器的代号和连接器端子的编号,例如一汽马自达汽车电路如图2-9所示。由于该种方法更加简单实用,越来越多的车型采用该种方法。
汽车电路图中常采用连接器代码加连接器端子编号的方法来表示连接器上的端子。例如上海通用汽车电路图中“C202 39”表示连接器代码为C202上编号为39的端子。代码相同的连接器为同一连接器。也有采用把相同的连接器用虚线框起来或用虚线连起来的表示方法。对于连接器上端子的编号常采用左边为1号端子,由左至右依次增大的编号方法,若连接器上有两层或两层以上端子,则采用由左至右依次增大的“S”形端子编号方法。在读汽车线束图时,可以根据连接器和连接器端子的编号方法来读图。
世界上各汽车制造厂家在连接器端子的编号上并没有统一的规定,在有的车型上还采用字母的编号方法。在查找连接器在车上的位置时,应先读懂汽车电路图,在掌握汽车电路原理后再根据图上的电器代码,在各汽车线束图上查找即可确定连接器在图上的位置。
三、汽车定位图的识读方法
汽车定位图常常采用绘制立体图和实物照片的形式来真实直观地反映汽车上各电器设备的具体位置。汽车定位图按照不同的作用可分为汽车电器设备定位图、熔断器定位图、继电器定位图、铰接点定位图等。
汽车电器设备定位图用来显示汽车上用电器、控制器(包括各种传感器、电控单元)等在车上的具体位置。在电器设备定位图上,用箭头或黑实线来指明电器设备的位置,用文字来说明电器设备的名称。汽车电器设备定位图简单、清晰、真实,根据汽车定位图可以迅速准确地找到各电器设备在汽车上的安装位置。
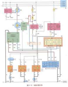
为了便于检修和制造,在现代汽车上往往把熔断器、继电器、线路铰接点等集中安装在一个盒内,组成熔断器盒、继电器盒和接线盒。在电路图中,熔断器往往采用熔断器所在系统或作用的缩略语加熔断器规格来表示。例如“Efi110A”表示此熔断器位于燃油喷射系统熔断器盒1号位置上,熔断电流为10A。也有的车型采用熔断器编号加熔断器规格来表示,例如“NO.15 10A”。继电器在电路图中常常采用继电器所控制电器设备的名称来表示继电器,例如燃油泵继电器、近光灯继电器等。若同一个电器设备不止受一个继电器控制,则在电器设备名称后加数字来区分,例如点火继电器1、点火继电器2等。在电路图中,电路的接点往往采用字母加数字的编号方法,例如S203, S202等。熔断器、继电器的插座端子用数字或数字加字母的方法来表示,例如1, 2, 87, 87a, BI, B2等。在现代汽车上,为了便于安装会把熔断器盒、继电器盒、接线盒装在一起组成熔断器/继电器接线盒或叫中央继电器盒,如图2-10所示。
世界上各汽车制造厂家在定位图熔断器、继电器、线路、铰接点的标注上并没有统一的规定。在查找这些电器设备在车上的位置时,可以先阅读汽车电路图,掌握了电路工作原理后,再根据电路图上的电器设备代码综合查找各定位图,就可确定熔断器、继电器等电器设备在车上的具体位置。
-
二、一汽丰田汽车电路识图示例
1.电路导线颜色代码
丰田汽车电路图的特点:①电路图中的电气元件通常用文字直接标注;②把整个电路图作为一个总图,各系统电路按横轴方向逐个布置,并在电路图上方标出各系统电路的区域和代表该电路系统的符号及文字说明;③电路图中绘出了搭铁点,并标注代号与文字说明,可以从电路图了解电路搭铁点,直观明了;④电路图中,有的还直接标出电路插接器的端子排列和各端子的使用情况,给识图和电路故障查寻提供了方便。
电路导线颜色代码如表3-10所示。
2.电路图符号及含义
电路图符号及含义如表3-11所示。
3.电路识图示例
现以丰田汽车电源电路、启动机电路及发电机电路为例,说明丰田汽车电路图的识读方法。
电路识图示例如图3-6所示。
4.缩略语及其含义
丰田车系缩略语及含义如表3-12所示。
三、上海大众汽车电路识图示例
1.电路导线颜色代码
上海大众汽车导线颜色用英文单词中的两个字母来表示,一般写在导线的左边和上边。其中双颜色导线,前边表示主色,后边表示辅色,用斜杠隔开。
电路导线颜色代码如表3-13所示。
2.电路图符号及含义
电路图符号及含义如表3-14所示。
3.电路识图示例
大众汽车电路图分为三部分,最上面部分为中央配线盒,其中标明了熔丝的位置及容量,继电器位置编号及接线端子号等。中间部分是车上的电气元件及连线,最上面的部分为搭铁部分。
电路识图示例如图3-7所示。

[A]:系统标题。
[B]:表示继电器盒。未用阴影表示,仅表示继电器盒编号以和接线盒加以区分。
示例:1表示1号继电器盒。
[C]:车型、发动机类型或规格不同时,用()来表示不同的配线和连接器等。
[D]:表示相关联的系统。
[E]:表示用来连接线束的插头式连接器和插座式连接器的代码。连接器代码由两个字母和一个数字组成。
连接器代码的第一个字符表示插座式连接器线束上的字母代码,第二个字符表示插头式连接器线束上的字母代码。
第三个字符是在存在多个相同线束组合时用来区别线束组合的系列号(如CHI和CH2)。
符号(u)表示插头式端子连接器。连接器代码外侧的数字表示插头式连接器和插座式连接器的针脚编号。
[F]:代表零件(所有零件均以天蓝色表示)。该代码和零件位置中使用的代码相同。
[G]:接线盒(圆圈中的数字为接线盒编号,连接器代码显示在旁边)。接线盒以阴影表示,用于明确区分于
其他零件。
示例:
[H]:表示屏蔽电缆。
[I]:表示配线颜色。
配线颜色以字母代码表示。
B=黑色W=白色BR=棕色
L=蓝色V=紫色SB=天蓝色
R=红色G=绿色LG=浅绿色
P=粉色Y=黄色GR=灰色
O二橙色BE=米黄色
第一个字母表示基本配线颜色,第二个字母表示条纹颜色。
示例:L Y
[J]:表示连接器的针脚编号。
插座式连接器和插头式连接器的编号系统各不相同。
[K]:表示搭铁点。该代码由两个字符组成:一个字母和一个数字。第一个字符表示线束的字母代码。第二个字符是当同一线束存在多个搭铁点时用来区别各搭铁点的系列号。
[L]:页码
[M]:向保险丝供电时,用来表示点火钥匙的位置。
[N]:表示配线接合点。
示例:
[O]:线束代码
各线束以代码表示。线束代码用于表示零件代码、线束间连接器代码和搭铁点代码。例如. H7(组合仪表)、CHI(插头式线束间连接器)和H2(搭铁点)表示它们是同一线束“H”的零件。
[P]:表示车辆系统电路中零件位置的参考页。
示例:代码“H4”(灯故障传感器)在本手册的第6页。*代码的第一个字符表示线束的字母代码,第二个字符表示与线束连接的零件的系列号。
示例:
[Q]:表示系统电路中车辆继电器盒连接器位置的参考页。
示例:连接器“1”在本手册第18页加以说明,其安装在仪表板左侧。
[R]:表示系统电路中车辆接线盒和线束位置的参考页。
示例:连接器“3C”连接仪表板线束和3号接线盒。在本手册第22页加以说明,其安装在仪表板左侧。
[S]:表示线束间连接器的参考页(首先显示插座式线束,然后显示插头式线束)。
示例:连接器“CHI”连接发动机室主线束(插座式)和仪表板线束(插头式)。在本手册第42页加以说明,其安装在左侧踏脚板上。
[T]:表示车辆上搭铁点位置的参考页。
示例:搭铁点“H2”在本手册上加以说明,其安奖存中央背板上。
爱华网



